DMWB2 系列:

使用范围:
◇ 介质压力:0~0.5MPa
◇ 介质温度:0~120℃
 轴转速:≤3000转/分
 适用介质:除HF外的不带颗粒的所有腐蚀性介质

注:本型号主要同各种氟塑料及氟衬料泵配套使用。


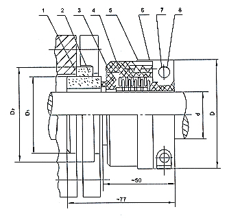
1、静环垫 2、静环 3、波纹管 4、弹簧座 5、弹簧 6、弹簧保护套
7、内六角螺钉 8、分半压紧环

型号
d
D
D2
D1
WB2-30
30
66
67
53
WB2-35
35
71
70
57
WB2-40
40
76
76
62
WB2-45
45
81
82
70
WB2-60
50
94
86
72
WB2-55
55
96
90
77
WB2-60
60
101
95
82
WB2-65
65
106
100
87
 

温州市东盛机械密封件厂 版权所有
电话:0577-86822589 传真:0577-86833589 E-mail:info@sealcn.com